US12313379 - System for neutralising a target using a drone and a missile

The patent describes a system for neutralizing targets using a drone that transmits positional information to a control station, which then guides a missile towards the target. This system includes distinct components such as the drone, missile, control station, and a remote firing station, allowing for real-time guidance based on the transmitted information.
Claim 1
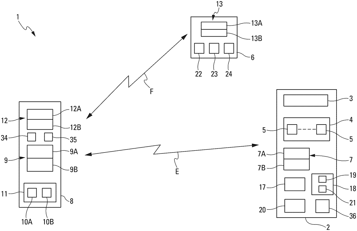
- A system for neutralizing at least one target, said system comprising at least: a drone configured to be able to fly toward a target and transmit at least positional information of the target; at least one missile adapted to be guided towards the target in order to neutralize it; at least one control station, the control station comprising a reception unit adapted to receive said positional information transmitted by the drone and a display unit adapted to display said information to an operator; and a firing station configured to fire and guide the missile, said firing station being located remotely from said control station, said control station being configured to cause said firing station to transmit guidance commands to the missile based on the positional information, which is received by said control station from the drone; the drone, the missile, the control station, and the firing station being distinct from and located remotely from each other; wherein the drone is configured to transmit the positional information of the target to the control station, which is configured to receive the positional information of the target from the drone and to display the positional information of the target to the operator on the display unit and to cause the firing station to transmit the guidance commands to the missile, based on the positional information of the target in real time, during a navigation and guidance phase of the missile after firing of the missile, and the missile is configured so that it can be guided in real time towards the target solely by means of the guidance commands based on said positional information, received by the control station from the drone, during the navigation and guidance phase of the missile after firing of the missile. a drone configured to be able to fly toward a target and transmit at least positional information of the target; at least one missile adapted to be guided towards the target in order to neutralize it; at least one control station, the control station comprising a reception unit adapted to receive said positional information transmitted by the drone and a display unit adapted to display said information to an operator; and a firing station configured to fire and guide the missile, said firing station being located remotely from said control station, said control station being configured to cause said firing station to transmit guidance commands to the missile based on the positional information, which is received by said control station from the drone; said firing station being located remotely from said control station, said control station being configured to cause said firing station to transmit guidance commands to the missile based on the positional information, which is received by said control station from the drone; the drone, the missile, the control station, and the firing station being distinct from and located remotely from each other; wherein the drone is configured to transmit the positional information of the target to the control station, which is configured to receive the positional information of the target from the drone and to display the positional information of the target to the operator on the display unit and to cause the firing station to transmit the guidance commands to the missile, based on the positional information of the target in real time, during a navigation and guidance phase of the missile after firing of the missile, and the missile is configured so that it can be guided in real time towards the target solely by means of the guidance commands based on said positional information, received by the control station from the drone, during the navigation and guidance phase of the missile after firing of the missile.
Google Patents
https://patents.google.com/patent/US12313379
USPTO PDF
https://image-ppubs.uspto.gov/dirsearch-public/print/downloadPdf/12313379