US12385730 - Geometric explosive charges and related methods

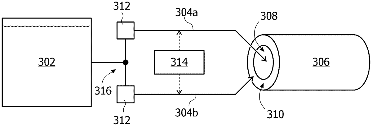
The patent describes a method for loading bore holes with explosive charges that utilize two streams of energetic material with differing densities to create a specific geometric arrangement. This arrangement involves a core formed by one stream and an annulus formed by the other, enhancing the explosive density and effectiveness of the charge.
Claim 1
- A method for loading a bore hole, comprising: providing an energetic material; establishing two streams of the energetic material in which the density of the energetic material differs between the streams, the two streams comprising: a higher density stream; and a lower density stream; delivering the two streams into a bore hole to form a detonable explosive charge comprising a core at least partially surrounded by an annulus, wherein the core is formed by one of the two streams and the annulus is formed by the other of the two streams, and wherein the annulus extends around at least 50% of a perimeter of the core in the detonable explosive charge. providing an energetic material; establishing two streams of the energetic material in which the density of the energetic material differs between the streams, the two streams comprising: a higher density stream; and a lower density stream; a higher density stream; and a lower density stream; delivering the two streams into a bore hole to form a detonable explosive charge comprising a core at least partially surrounded by an annulus, wherein the core is formed by one of the two streams and the annulus is formed by the other of the two streams, and wherein the annulus extends around at least 50% of a perimeter of the core in the detonable explosive charge.
Google Patents
https://patents.google.com/patent/US12385730
USPTO PDF
https://image-ppubs.uspto.gov/dirsearch-public/print/downloadPdf/12385730